| 照明部分 | |
|---|---|
| 型号 | LA-HDF100NA |
| 发光色 | 白色 |
| 寿命 | 约30,000小时(参考) |
| 调光范围 | 0-100% / ※1 0-200,000lx (参考) |
| 使用温度范围 | 0-+40℃ |
| 使用湿度范围 | 20-80%Rh(无结露) |
| 污染度 | Degree 2 |
| 设置条件 | 限定室内使用 高度: 2,000m Max |
| 保存温度环境 | -20-+60℃ |
| 保存湿度环境 | 20-90%Rh (无结露) |
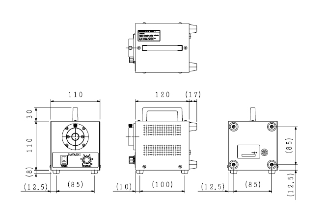
| 外径尺寸 | 110(W)×110(H)×120(D)mm (不含凸起部分) |
| 重量 | 約1.7kg |
| ※1.使用φ8×500mm的光导50mm位置的照度。 | |
| AC变压器 | |
| 型号 | UA310-1210 |
| 定额定输入电压 | AC100V-AC240V ±10% 50/60Hz |
| 定额定输出电压 | DC24V 1A |
| 耗电量 | 10W |
| 安全规格 | PSE |
| 尺寸 | 34(W)×26(H)×46(D)mm (不含突起部分) |
| DC连接线 | 1.2m |
LED光源装置 LA-HDF100NA

-
- LED光源装置 LA-HDF100NA
- HAYASHI林时计
- LA-HDF100NA
- 日本
- 现货
特长:体积小,亮度高,寿命长 运用领域:显微镜用照明
产品详细介绍
规格

上一篇:LED光源装置HDF7010RL

